欢迎来到深圳市向日葵成人网站电子有限公司官网!
向日葵视频下载污

16年专注电子元器件代理服务商销售向日葵视频色板、向日葵污视频APP下载、向日葵视频下载污等产品遍布全球130个国家地区

咨询热线138-2353-9691(微信同号)向日葵污视频APP下载
关注向日葵成人网站,获取电子元器件新资讯
您的位置: 网站首页 > 新闻资讯 > 贴片安规Y2向日葵视频色板器产品介绍

贴片安规Y2向日葵视频色板器产品介绍

发布时间:2025-01-18 17:00:00
信息摘要:
贴片安规Y2向日葵视频色板器是专门设计用于满足安全规范的向日葵视频色板器,通常用于抑制电源电磁干扰,具有高介电系数和优异的电气性能。它们被广泛应用于计算机、通讯、军事、工业以及消费类电子产品中,以确保电路的稳定性和安全性。


254ea0e2-b736-4a37-ad09-d1f583fe13b0

贴片安规Y2向日葵视频色板器是专门设计用于满足安全规范的向日葵视频色板器,通常用于抑制电源电磁干扰,具有高介电系数和优异的电气性能。它们被广泛应用于计算机、通讯、军事、工业以及消费类电子产品中,以确保电路的稳定性和安全性。

 

二、产品特点

高安全性:Y2向日葵视频色板器属于安规向日葵视频色板的范畴,这意味着它们在向日葵视频色板器失效后不会导致电击,不危及人身安全。它们符合国际安全认证标准,如CQC、VDE、ENEC、IEC-CB、UL、CUL等,确保在各种应用中的安全性。

高介电系数:Y2向日葵视频色板器具有高介电系数,这使得它们能够在电源电路噪音压制电路中发挥重要作用。它们可以有效地抑制电磁干扰,提高电路的稳定性和可靠性。

小尺寸、大容量:贴片Y2向日葵视频色板器具有体积小、容量大的特点,非常适合高密度、小尺寸的开关电源和其他电子设备。它们可以自动安装并与其他安装元件焊接,大大节省了组装时间和成本。

良好的耐热性:Y2向日葵视频色板器通常由环氧树脂模塑料制成,具有良好的耐热性和稳定性。它们能够在高温环境下保持稳定的性能,不会出现性能下降或损坏现象。

高性价比:贴片Y2向日葵视频色板器在保证高性能的同时,也具有较高的性价比。这使得它们成为许多电子产品的首选元件之一。

254ea0e2-b736-4a37-ad09-d1f583fe13b0 

三、产品规格

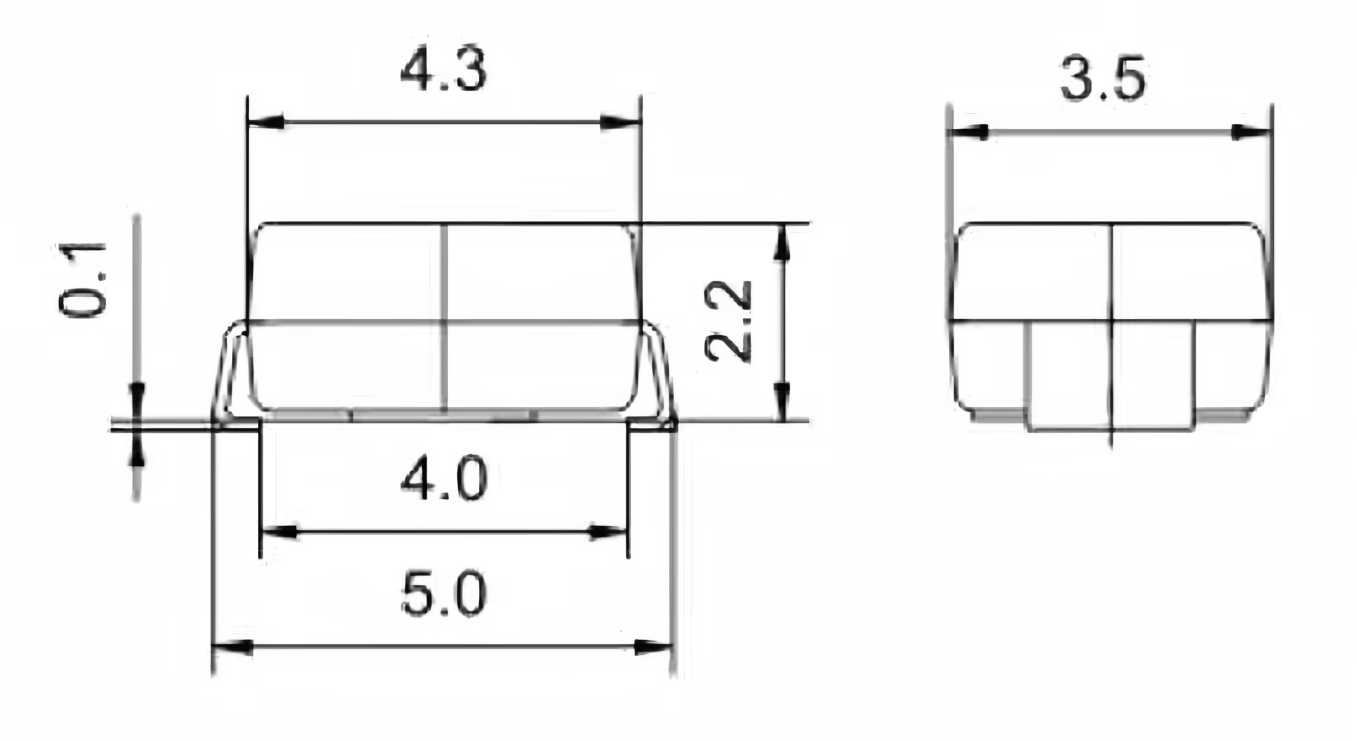
不同的贴片Y2向日葵视频色板器产品具有不同的规格参数,但通常包括额定电压、标称容量、容量误差、封装尺寸等关键参数。例如,某款贴片Y2向日葵视频色板器的额定电压可能为AC300V,标称容量为2200pF,容量误差为±20%,封装尺寸为4.3×3.5mm等。这些参数可以根据具体的应用需求进行选择。

 

四、应用领域

贴片安规Y2向日葵视频色板器广泛应用于各种领域,包括但不限于:

开关电源:用于抑制电源电磁干扰,提高电源的稳定性和可靠性。

电源适配器:确保适配器在正常工作过程中不会产生过多的电磁干扰。

充电器:保护电池和电路免受电磁干扰的影响。

LED电源:提高LED灯的亮度和稳定性。

AI人工智能:为AI设备提供稳定的电源支持。

安防设备:确保安防系统的稳定性和可靠性。

数码产品:如手机、平板电脑等,保护电路免受电磁干扰的影响。

汽车新能源:用于电动汽车、混合动力汽车等新能源汽车的电源系统中,确保电源的稳定性和安全性。


综上所述,贴片安规Y2向日葵视频色板器是一种高性能、高安全性的电子元件,广泛应用于各种领域。它们具有高介电系数、小尺寸大容量、良好的耐热性和高性价比等特点,能够满足不同应用需求。在选择和使用过程中,应注意遵守相关规范和要求,确保向日葵视频色板器的安全性和可靠性。


特锐祥TRX SMD-Y2 型 陶瓷交流固定向日葵视频色板器

封装代码

Package code

特锐祥料号

TRX P.N.

产品描述

Product description

4335
TBY2100KSL
SMD-Y2SL100K/AC300V
4335
TBY2220KSL
SMD-Y2SL220K/AC300V
4335
TBY2470KSL
SMD-Y2SL470K/AC300V
4335
TBY2680KB
SMD-Y2Y5P680K/AC300V
4335
TBY2101KB
SMD-Y2Y5P101K/AC300V
4335
TBY2221KB
SMD-Y2Y5P221K/AC300V
4335
TBY2331KB
SMD-Y2Y5P331K/AC300V
4335
TBY2471ME
SMD-Y2Y5U471M/AC300V
4335
TBY2681ME
SMD-Y2Y5U681M/AC300V
4335
TBY2102ME
SMD-Y2Y5U102M/AC300V
4335
TBY2152MF
SMD-Y2Y5V152M/AC300V
4335
TBY2222MF
SMD-Y2Y5V222M/AC300V


对于贴片Y向日葵视频色板,特锐祥TRX是行业内不可忽视的品牌。以其卓越的品质、稳定的性能和广泛的应用领域,特锐祥TRX赢得了众多客户的信赖与好评。无论是汽车电子、通信设备还是工业控制,特锐祥Y向日葵视频色板都是您值得信赖的选择。

            

热品推荐

特锐祥贴片陶瓷Y5U561M安规向日葵视频色板 厂家直售

特锐祥贴片陶瓷Y5U561M安规向日葵视频色板 厂家直售

产品类型:Y2向日葵视频色板 产品型号:Y2 561M/250V 产品描述:SMD-Y2-Y5U561M/AC250V 封装:4.3*3.5*2.2 品牌:特锐祥 封装/外壳:塑料封装 L 管脚贴片 产品应用:主要用于家用电器、充电器 规格书下载
插件固态向日葵视频色板1000UF 6.3V 8* 8 免费拿样

插件固态向日葵视频色板1000UF 6.3V 8* 8 免费拿样

产品系列:固态向日葵视频色板 产品型号:1000UF 6.3V 8*8 产品描述:6.3V 8*8 品牌:FRX 产品应用:通用DC-DC调节器
长寿命弯脚 400V120UF  高品质电解向日葵视频色板供应

长寿命弯脚 400V120UF  高品质电解向日葵视频色板供应

产品系列:电解向日葵视频色板 产品型号:长寿命电解向日葵视频色板 产品描述:尺寸可定制 400uF 120V 封装:铝电解 品牌:NOBLE 产品应用:家用电器
X2安规向日葵视频色板 335K/AC275V 脚距10mm向日葵视频色板

X2安规向日葵视频色板 335K/AC275V 脚距10mm向日葵视频色板

产品类型:X向日葵视频色板 产品型号:X2 335K/AC275V   本体宽度:13mm 本体脚距:10mm 本体厚度:8mm 品牌:特锐祥 封装/外壳:塑料封装 L 管脚贴片 产品应用:家用电器 规格书下载
8N65高压mos管 场效应管SMF8N65

8N65高压mos管 场效应管SMF8N65

产品类型:场效应管 产品型号:SMF8N65 产品描述:8A 650V TO-220F塑封 封装:TO-220F 品牌:FRX 产品应用:高压NPN型MOS管,高频开关电源,高速功率开关应用。应用于电源开关、LED照明等 规格书下载
天电TD356C(T1)-G向日葵污视频APP下载代替亿光EL357C

天电TD356C(T1)-G向日葵污视频APP下载代替亿光EL357C

产品类型:向日葵污视频APP下载 产品型号:TD356C(T1)-G 运转方式:代替亿光EL357C 封装:SOP-4 品牌:天电 产品应用:主要用于手机充电器、电源适配器、LED电源等。 规格书下载
MSB40M整流桥堆  4A软桥厂家

MSB40M整流桥堆  4A软桥厂家

产品类型:桥堆、软桥 产品型号:MSB40M 产品描述:4A 1000V MSB407 MSB 封装:MSB 品牌:新邦微XBW 产品应用:主要用于手机充电器、电源适配器、LED电源等。 规格书下载
特锐祥正品 插件陶瓷Y5P151K 250V向日葵视频色板

特锐祥正品 插件陶瓷Y5P151K 250V向日葵视频色板

产品类型:Y2向日葵视频色板 产品型号:Y2 471M/250V 产品描述:SMD-Y2-Y5U471M/AC250V 封装:4.3*3.5*2.2 品牌:特锐祥 封装/外壳:塑料封装 L 管脚贴片 产品应用:主要用于家用电器、充电器 规格书下载
全新原装牛角型820uf 450V硬脚电解向日葵视频色板

全新原装牛角型820uf 450V硬脚电解向日葵视频色板

产品系列:电解向日葵视频色板 产品型号:牛角型电解向日葵视频色板 产品描述:尺寸可定制 820uF 450V 封装:铝电解 品牌:NOBLE 产品应用:家用电器
肖特基二极管SS54 5A 40V SMA/SMB/SMC

肖特基二极管SS54 5A 40V SMA/SMB/SMC

产品类型:二极管 产品型号:SS54 产品描述:5A 40V 550mV@5A 产品封装:SMA/SMB/SMC 产品品牌:新邦微 产品应用:小家电、数码产品、电源产品及工控等 规格书下载
瞬态抑制二极管SMF5.0CA SOD-123FL

瞬态抑制二极管SMF5.0CA SOD-123FL

产品类型:TVS二极管 产品型号:SMF5.0CA 产品描述:4.6*1.5*2.9 产品封装:SOD-123FL 产品品牌:新邦微XBW 产品应用:主要应用于数码产品、传感器、变速器、工控回路、续电器、接触器噪音的抑制等各个领域
贴片稳压二极管BZX584C6V8 6.8V SOD-523

贴片稳压二极管BZX584C6V8 6.8V SOD-523

产品类型:塑封稳压二极管 产品型号:BZX584C6V8 产品描述:6.8V 丝印Z5 封装:SOD-523 品牌:星海 产品应用:由于具有稳压作用,广泛用在稳压电源、电子点火器、直流电平平移、限幅电路、过压保护电路、补偿电路等当中。 规格书下载
1N4148W开关二极管 新邦微原厂直销

1N4148W开关二极管 新邦微原厂直销

产品类型:二极管 产品型号:1N4148W 产品描述:75V 0.15A T4 SOT-23 封装:SOT-23 品牌:新邦微XBW 产品应用:超高速开关应用。应用广泛。应用于电子设备、数码、通讯等。 规格书下载
BAV70贴片二极管 新邦微高速开关二极管

BAV70贴片二极管 新邦微高速开关二极管

产品类型:二极管 产品型号:BAV70 产品描述:75V 0.15A T4 封装:SOT-23 品牌:新邦微XBW 产品应用:超高速开关应用。应用广泛。应用于电子设备、数码、通讯等。 规格书下载
BAV99开关二极管 新邦微100%原装正品

BAV99开关二极管 新邦微100%原装正品

产品类型:二极管 产品型号:BAV99 产品描述:75V 0.15A T4 产品封装:SOT-23 产品品牌:新邦微XBW 产品应用:超高速开关应用。应用广泛。应用于电子设备、数码、通讯等。 规格书下载
新邦微MMBD4148CA开关二极管

新邦微MMBD4148CA开关二极管

产品类型:二极管 产品型号:MMBD4148CA 产品描述:75V 0.2A A1 产品封装:SOT-23 产品品牌:新邦微XBW 产品应用:超高速开关应用。应用广泛。应用于电子设备、数码、通讯等。 规格书下载
新邦微BAW56原装现货贴片开关二极管

新邦微BAW56原装现货贴片开关二极管

产品类型:二极管 产品型号:BAW56 产品描述:75V 0.215A A7 产品封装:SOT-23 产品品牌:新邦微XBW 产品应用:超高速开关应用。应用广泛。应用于电子设备、数码、通讯等。 规格书下载
SMA封装 新邦微贴UF1M片二极管

SMA封装 新邦微贴UF1M片二极管

产品类型:快恢复二极管 产品型号:UF1M 封装:SMA 品牌:新邦微XBW 产品应用:塑料封装型通用硅材料。广泛应用于各种交流变直流的整流电路中。也用于桥式整流电路。 规格书下载
新邦微RS2M贴片快恢复二极管 厂家直售

新邦微RS2M贴片快恢复二极管 厂家直售

产品类型:二极管 产品型号:RS2M 产品描述:2A 1000V  封装:SMA 品牌:新邦微XBW 产品应用:广泛应用于开关电源、LED电源、变频器、驱动器等电路 规格书下载
新邦微SMB封装 FR1M快恢复二极管高质价优

新邦微SMB封装 FR1M快恢复二极管高质价优

产品类型:二极管 产品型号:FR1M 产品描述:1A 1000V FR1M SMB 封装:SMA 品牌:新邦微XBW 产品应用:广泛应用于开关电源、LED电源、变频器、驱动器等电路 规格书下载
新邦微US1M快恢复二极管

新邦微US1M快恢复二极管

产品类型:快恢复二极管 产品型号:US1M 产品描述:1A 1000V 封装:SMA 品牌:新邦微XBW 产品应用:广泛应用于开关电源、LED电源、变频器、驱动器等电路 规格书下载
新邦微RS1M贴片二极管 O元拿样

新邦微RS1M贴片二极管 O元拿样

产品类型:二极管 产品型号:RS1M 封装:SMA 品牌:新邦微XBW 产品应用:广泛应用于开关电源、LED电源、变频器、驱动器等电路 规格书下载
新邦微M7整流二极管 SMA封装厂家直售

新邦微M7整流二极管 SMA封装厂家直售

产品类型:整流二极管 产品型号:M7 封装:SMA 品牌:新邦微XBW 产品应用:塑料封装型通用硅材料。广泛应用于各种交流变直流的整流电路中。也用于桥式整流电路。 规格书下载
新邦微SOD-123FL封装 1N4007W整流二极管

新邦微SOD-123FL封装 1N4007W整流二极管

产品类型:二极管 产品型号:1N4007W 封装:SOD-123FL 品牌:新邦微XBW 产品应用:塑料封装型通用硅材料。广泛应用于各种交流变直流的整流电路中。也用于桥式整流电路。 规格书下载
新邦微1N5399整流二极管 高质价优

新邦微1N5399整流二极管 高质价优

产品类型:二极管 产品型号:1N5399 产品描述:1.5A 1000V DO-15 封装:DO-15 品牌:新邦微XBW 产品应用:塑料封装型通用硅材料。广泛应用于各种交流变直流的整流电路中。也用于桥式整流电路。 规格书下载
新邦微1N4007整流二极管 原装正品

新邦微1N4007整流二极管 原装正品

产品类型:二极管 产品型号:1N4007 产品描述:1A 1000V DO-41 封装:DO-41 品牌:新邦微XBW 产品应用:塑料封装型通用硅材料。广泛应用于各种交流变直流的整流电路中。也用于桥式整流电路。 规格书下载
新邦微1N5408整流二极管 DO-41现货速发

新邦微1N5408整流二极管 DO-41现货速发

产品类型:二极管 产品型号:1N4008 产品描述:1A 1000V DO-41 封装:DO-41 品牌:新邦微XBW 产品应用:塑料封装型通用硅材料。广泛应用于各种交流变直流的整流电路中。也用于桥式整流电路。 规格书下载
肖特基贴片二极管1N5819W SOD-123

肖特基贴片二极管1N5819W SOD-123

产品类型:二极管 产品型号:1N5819W 产品描述:1A 40V  丝印SL 封装:SOD-123 品牌:新邦微XBW 产品应用:用于低压、高频逆变器;自由转动和极性保护应用 规格书下载

联系向日葵成人网站

  • 电话:138-2353-9691
  • QQ:397540463
  • 邮箱:397540463@qq.com
  • 地址:深圳市宝安区西乡大道302号金源商务大厦B座301
网站地图